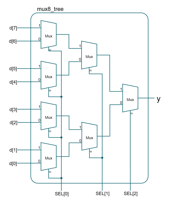
55. MUX Tree using Loops

Build an 8-to-1 multiplexer using a 3-level tree of 2:1 muxes. Drive each level with one bit of sel, from LSB to MSB. Implement as a tree using a single always @* with for loops (constant bounds).

Requirements

  • Module: mux8_tree
  • Inputs: d[7:0], sel[2:0]
  • Output: y

Behavior

  • Inputs: d[7:0] (eight 1-bit inputs)
  • Select: sel[2:0] (binary index 0–7)
  • Output: y = d[sel]

 

Need Help? Refer to the Quick Guide below

Testbench Code

`timescale 1ns/1ps

module tb_mux8_tree;
    // 1) Inputs
    reg  [7:0] d;
    reg  [2:0] sel;

    // 2) DUT output
    wire y;

    // 3) Expected
    wire expected_y;

    // 4) Mismatch (HIGH on fail)
    reg  mismatch;
    wire mismatch_w = (y !== expected_y);

    // Counters
    integer TOTAL_TEST_CASES=0, TOTAL_PASSED_TEST_CASES=0, TOTAL_FAILED_TEST_CASES=0;
    integer VCD_MAX_CASES = 32;

    // Seed for reproducible randomness (change to vary runs)
    integer seed;
    initial seed = 32'h8A1C_F17E ^ $time;

    // DUT
    mux8_tree dut(.d(d), .sel(sel), .y(y));

    // Golden model
    assign expected_y = d[sel];

    // VCD dump (Inputs -> Outputs -> Expected -> Mismatch)
    initial begin
        $dumpfile("tb_mux8_tree.vcd");
        $dumpvars(0,
            tb_mux8_tree.d, tb_mux8_tree.sel, // Inputs
            tb_mux8_tree.y,                   // Output
            tb_mux8_tree.expected_y,          // Expected
            tb_mux8_tree.mismatch             // Mismatch
        );
        $dumpon; // start at #0
    end

    // Header + init
    initial begin
        d = 8'b1010_1100; sel = 3'd0; mismatch = 1'b0;
        $display("    d      sel | y | expected_y | mismatch");
        $display("------------------------------------------");
    end

    // Apply + check
    task apply_and_check;
        input [7:0] t_d;
        input [2:0] t_sel;
        begin
            d = t_d; sel = t_sel;
            #1; // settle

            mismatch = mismatch_w;

            TOTAL_TEST_CASES++;
            if (!mismatch) TOTAL_PASSED_TEST_CASES++; else TOTAL_FAILED_TEST_CASES++;

            $display("0x%02h     %0d  | %1b |     %1b     |   %0d",
                     d, sel, y, expected_y, mismatch);

            if (TOTAL_TEST_CASES == VCD_MAX_CASES) $dumpoff;
        end
    endtask

    integer i;
    initial begin
        // Directed: sweep sel 0..7 with a fixed visible pattern
        d = 8'b1010_1100;
        for (i = 0; i < 8; i = i + 1)
            apply_and_check(d, i[2:0]);

        // A few randomized cases (still well under 32 total)
        repeat (8) apply_and_check($random(seed), $random(seed));

        // Summary
        $display("------------------------------------------");
        $display("TOTAL_TEST_CASES=%0d", TOTAL_TEST_CASES);
        $display("TOTAL_PASSED_TEST_CASES=%0d", TOTAL_PASSED_TEST_CASES);
        $display("TOTAL_FAILED_TEST_CASES=%0d", TOTAL_FAILED_TEST_CASES);
        $display("ALL_TEST_CASES_PASSED=%s", (TOTAL_FAILED_TEST_CASES==0) ? "true" : "false");

        #2 $finish;
    end
endmodule