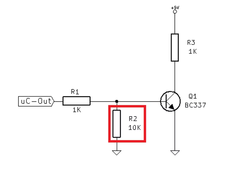
Question.9
Nilesh is inspecting a below schematic and notices a transistor with a resistor connected from its control pin to ground (Highlighted in Red box).
This resistor is present even when the control signal comes from a microcontroller.
What is the purpose of this resistor?
